DC-DC原理框圖


線性電源、開關電源哪個更好?
線性電源:優點:外圍器件少,PCB面積小,無開關噪聲,紋波?。蝗秉c:降壓輸出,效率低,功耗大。
開關電源:優點:可升壓、降壓,效率高;缺點:電路設計復雜,外圍器件多,輸出紋波大,費用高。
LDO
LDO即low?dropout?regulator,低壓差線性穩壓器,各種整流器的輸出電壓不僅受市電電壓變化的影響,還受負載變化的影響。為了保證供電電壓穩定不變,幾乎所有的電子設備都采用穩壓器供電。
分類及原理
根據采用晶體管類型的不同,LDO可分為雙極型和CMOS型。其中,雙極型又有PNP和NPN兩種,CMOS型又有P-MOSFET和N-MOSFET兩種。雙極型英文又可以簡稱為BJT。
1.CMOS型LDO的原理電路圖如下。能支持非常低的壓降、低靜態電流、改善的噪聲性能和低電源抑制,但P-MOS的成本更高一些。
2.雙極型LDO的原理電路圖如下。具有高輸入電壓的優點,且擁有更好的瞬態響應,但需要更高的壓降電壓。
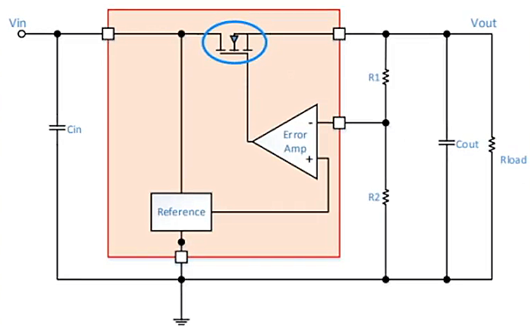
LDO內部結構圖-N通道MOS穩壓器:

工作原理:
1.電路開始啟動,恒流源給整個電路提供偏執,基準源電壓快速建立
2.輸出隨著輸入不斷上升,輸出達到規定值,輸出反饋電壓和基準電壓經過比較器產生負反饋信號,作用于MOS管,保證了輸出電壓的穩定
3.這個閉環回路將使輸出電壓保持不變,實現了低壓差的穩壓,Vout = Vref * ( R1 + R2 ) / R2,Vref - 基準電壓。
實際LDO的結構比圖中要復雜,包括啟動電路、恒流源偏置單元、使能電路、調整元件、基準源、誤差放大器、反饋電阻網絡,保護電路等。
LDO和DC-DC的對比
1、DC-DC包括boost(升壓)、buck(降壓)、Boost/buck(升/降壓)和反相結構,具有高效率、高輸出電流、低靜態電流等特點,隨著集成度的提高,許多新型DC-DC轉換器的外圍電路僅需電感和濾波電容,優點是效率高,輸入電壓范圍較寬,但是輸入輸出的壓差相對LDO要求較大,負載響應比LDO差,輸出紋波比LDO大。
2、LDO:低壓差線性穩壓器的突出優點是具有最低的成本,最低的噪聲和最低的靜態電流。它的外圍器件也很少,通常只有一兩個旁路電容。新型LDO可達到以下指標:30μV輸出噪聲、60dBPSRR、6μA靜態電流及100mV的壓差,LDO 一般應用于壓差低的電源轉換,功耗低,紋波小,效率低(低壓差電源轉換時,效率大大提高)
〈烜芯微/XXW〉專業制造二極管,三極管,MOS管,橋堆等,20年,工廠直銷省20%,上萬家電路電器生產企業選用,專業的工程師幫您穩定好每一批產品,如果您有遇到什么需要幫助解決的,可以直接聯系下方的聯系號碼或加QQ/微信,由我們的銷售經理給您精準的報價以及產品介紹
聯系號碼:18923864027(同微信)
QQ:709211280

