74HC132DB,74HC132DB集成電路,74HC132DB邏輯門芯片
74HC132DB邏輯門芯片,74HC132DB工作原理,74HC132DB引腳圖及功能,74HC132DB中文資料
74HC132DB邏輯門芯片,74HC132DB工作原理,74HC132DB引腳圖及功能,74HC132DB中文資料

74HC132DB邏輯門芯片,規格書參數資料:點擊查看

74HC132DB封裝有:SO-14/SOIC-14/SSOP-14/TSSOP-14
74HC132DB邏輯門芯片參數如下:
輸出電流:A
針腳數:14
輸入數:2
工作溫度(Max):125℃,工作溫度(Min):40 ℃
電源電壓(Max):6V,電源電壓(Min):2V
安裝方式:Surface Mount
引腳數:14
74HC132DB邏輯門芯片SO-14封裝尺寸:


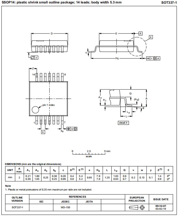
74HC132DB邏輯門芯片SSOP-14封裝尺寸:


74HC132DB邏輯門芯片TSSOP-14封裝尺寸:

〈烜芯微/XXW〉專業制造二極管,三極管,MOS管,橋堆等,20年,工廠直銷省20%,上萬家電路電器生產企業選用,專業的工程師幫您穩定好每一批產品,如果您有遇到什么需要幫助解決的,可以直接聯系下方的聯系號碼或加QQ/微信,由我們的銷售經理給您精準的報價以及產品介紹

〈烜芯微/XXW〉專業制造二極管,三極管,MOS管,橋堆等,20年,工廠直銷省20%,上萬家電路電器生產企業選用,專業的工程師幫您穩定好每一批產品,如果您有遇到什么需要幫助解決的,可以直接聯系下方的聯系號碼或加QQ/微信,由我們的銷售經理給您精準的報價以及產品介紹
聯系號碼:18923864027(同微信)
QQ:709211280


