二極管反向擊穿電壓一般是工作電壓2-3倍。
二極管反向擊穿時的電壓值。擊穿時反向電流劇增,二極管的單向導電性被破壞,甚至過熱而燒壞。手冊上給出的最高反向工作電壓VBWM一般是VBR的一半。
反向擊穿電壓
外加反向電壓超過某一數值時,反向電流會突然增大,這種現象稱為電擊穿。引起電擊穿的臨界電壓稱為二極管反向擊穿電壓。電擊穿時二極管失去單向導電性。
如果二極管沒有因電擊穿而引起過熱,則單向導電性不一定會被永久破壞,在撤除外加電壓后,其性能仍可恢復,否則二極管就損壞了。因而使用時應避免二極管外加的反向電壓過高。

PN結二極管的反向擊穿
產生環境
反向擊穿的現象發生在很多情況下面,比如二極管,三極管等等。
以二極管為例:二極管是正向導通的,二極管兩端加反向電壓時,電子不能通過二極管,使得二極管相當于斷路,但是這個斷路取決于把二極管反向接時,二極管兩端的電壓(即反向電壓),如果這個反向電壓足夠大,二極管就被擊穿了(你可以認為變成導線了),此時這個擊穿的反向電壓就叫反向擊穿電壓。
也可以從字面做感性的理解:反向擊穿,反向,即為方向相反,就是說反著接。
擊穿,你可以認為原來這是一堵墻,是一條死胡同,不讓人通過,擊穿了所有人就能通過了(聯想一下電流),亦可以理解為高低河岸流而不能倒流,除非有超過河床高度的水流通過。
以下給出二極管反向擊穿電壓的理性定義:外加反向電壓超過某一數值時,反向電流會突然增大,這種現象稱為電擊穿。引起電擊穿的臨界電壓稱為二極管反向擊穿電壓。電擊穿時二極管失去單向導電性。
如果二極管沒有因電擊穿而引起過熱,則單向導電性不一定會被永久破壞,在撤除外加電壓后,其性能仍可恢復,否則二極管就損壞了。因而使用時應避免二極管外加的反向電壓過高。
快恢復二極管的反向恢復特性
二極管的反向特性。在電子電路中,二極管的正極接在低電位端,負極接在高電位端,此時二極管中幾乎沒有電流流過,此時二極管處于截止狀態,這種連接方式,稱為反向偏置。
二極管處于反向偏置時,仍然會有微弱的反向電流流過二極管,稱為漏電流。當普通二極管兩端的反向電壓增大到某一數值,反向電流會急劇增大,二極管將失去單方向導電特性,二極管會反向熱擊穿而損壞。
快恢復二極管的反向恢復特性決定著功率變換器的性能,在雙極功率晶體管的電流下降時間大于1us(開通時間約100ns)時期,二極管的反向恢復在雙極功率晶體管的開通過程中完成,而且雙極功率晶體管達到額定集電極電流的1/2-2/3左右后隨著Ic上升Hfe急劇下降,限制了二極管的反向恢復電流的峰值,在某種意義上,也限制了di/dt,雙極功率晶體管的開通過程掩蓋了二極管的反向恢復特性,因而對二極管的反向恢復僅僅是反向恢復時間提出要求。
隨著功率半導體器件的開關速度提高,特別是Power MOSFET、高速IGBT的出現,不僅開通速度快(可以在數十納秒內將MOSFET徹底導通或關斷),而且在額定驅動條件下,其漏極/集電極電流可以達到額定值的5-10倍,使MOS或IGBT在開通過程中產生高的反向恢復峰值電流IRRM,同時MOS或IGBT在開通過程結束后二極管的反向恢復過程仍然存在,使二極管的反向恢復特性完全暴露出來,高的IRRM、di/dt使開關管和快速二極管本身受到高峰值電流沖擊并產生較高的EMT。
因而對二極管的反向恢復特性不僅僅限于反向恢復時間短,而且要求反向恢復電流峰值盡可能低,反向恢復電流的下降,上升的速率盡可能低,即超快、超軟以降低開關過程中反向恢復電流對開關電流的沖擊,減小開關過程的EMI。
當快恢復二極管正向導通電流時,將從陽極和陰極注入大量載流子,并在基區以少數載流子的形式儲存電荷,即從陽極注入的空穴以少子的形式在基區存儲電荷。
但當電路中導通的快恢復二極管因外加反向電壓使其換向時,要實現快恢復二極管的“斷態”,必須把快恢復二極管導通時在基區儲存的大量少數戴流子完全抽出或者中和掉,這就需要一定時間才能使快恢復二極管恢復反向阻斷能力,這時間就定為快恢復二極管的反向恢復時間trr。
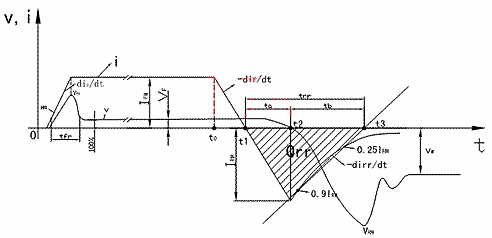
如圖1所示,由圖可見,快恢復二極管的主要關斷特性參數為:反向恢復時間trr,反向峰值電流IRRM,反向恢復電荷Qrr以及反向電流衰減率(dirr/dt),圖亦顯示了快恢復二極管從正向導通到反向恢復的全過程,圖中,反向恢復時間trr=ta+tb,ta表示少數戴流子的存儲時間,而tb表示少數戴流子的復合時間;
而且trr應盡量短,這就是超快恢復的要求,且ta應盡量小于tb,ta期間快恢復二極管還沒有恢復反向阻斷能力,器件加不了反向電壓,而tb期間,反向阻斷能力開始恢復,這段時間內反向電流恢復率(dirr/dt)連同電路中的寄生電感將產生過電壓尖峰和高頻干擾電壓,dirr/dt越高(即硬恢復)對快恢復二極管本身和與其并聯的開關器件所作用的附加電應力就越大,有時甚至使開關器件損壞,必須引起注意。
而緩慢的反向電流恢復率dirr/dt(即軟恢復)是最合乎需要的特性曲線,通常用軟度因子S=tb/ta來表示器件的反向恢復曲線的軟度,因此,選用反向恢復時間trr短,反向峰值電流IRM小,反向恢復電荷Qrr小以及反向恢復特性軟的FRED管是逆變電路中最合適的,同時也可降低逆變電路中快恢復二極管和開關器件的功耗。

圖1 FRED導通和關斷期間的電流、電壓波形圖
電話:18923864027(同微信)
QQ:709211280
〈烜芯微/XXW〉專業制造二極管,三極管,MOS管,橋堆等,20年,工廠直銷省20%,上萬家電路電器生產企業選用,專業的工程師幫您穩定好每一批產品,如果您有遇到什么需要幫助解決的,可以直接聯系下方的聯系號碼或加QQ/微信,由我們的銷售經理給您精準的報價以及產品介紹

